Всем привет!
В последнее время несколько камрадов обратилось ко мне с вопросами поиска колпачков для дисков поинтереснее, чем сток на Toyota, который одинаков для многих моделей:




Конечно, если есть фирменные диски с фирменными колпаками, то вопрос неактуален:


Мне тоже не очень нравятся стоковые диски, но пока покупка новых неактуальна для меня, поэтому решил разнообразить и внести индивидуальность с помощью новых колпачков.
У кого-то диски, востановленные "из пепла", кто-то пару колпачков потерял — жизнь полна сюрпризов, не всегда приятных…
Все колпачки, шильдики и наклейки, которые использовал, брал на AliExpress.
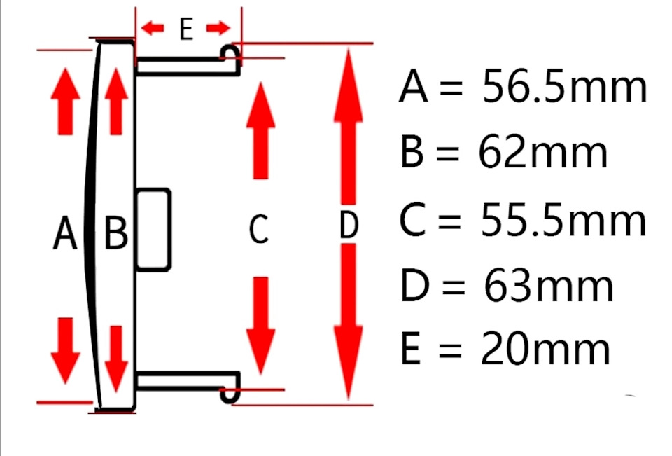
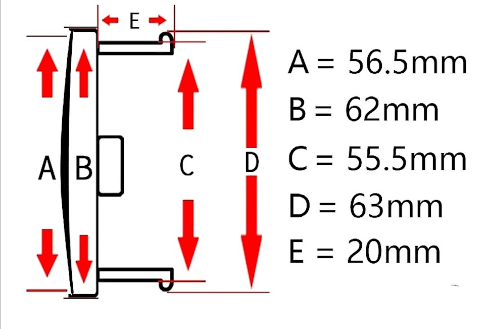
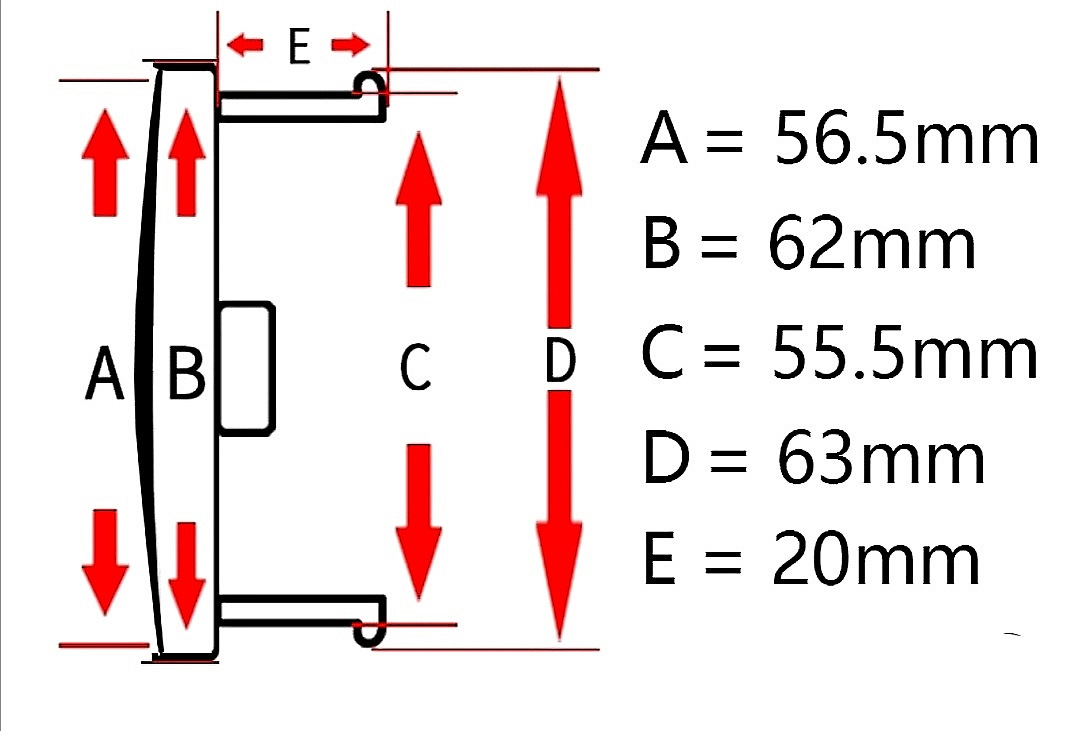
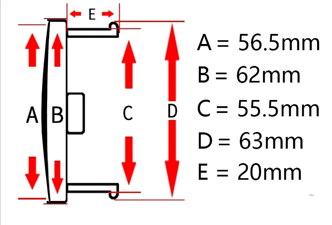
Там можно подобрать по точным размерам отверстия дисков:

Они бывают чёрные и хромированные:


Также плоскость может быть плоской и выпуклой:

Все плёнки, клеи и т.д. — обязательно для наружных работ, морозостойкие.
Способ 1.
Его я использовал для индивидуализации стоковых дисков для Harrier 3G.
Брал выпуклые хромированные колпачки, на ПК в реальных размерах рисовал то, что захотел, получившийся рисунок переносил на прозрачную плёнку.
Для подложки и эффекта использовал золотую и серебряную плёнки, потом готовый готовый логотип покрывал полиуретановой прозрачной глянцевой плёнкой. На колпачки приклеивал, предварительно обработав поверхность праймером, с помощью фена, так как поверхность выпуклая.

Вот что получилось:






Ещё прикуплю фирменных гаек, и будет всё по фен-шую)))):

Способ 2.
На рабочей машине Toyota Town Ace при тюнинге мы с сыном решили оставить на зиму литые диски, у которых было потеряно 2 колпака. Мы их перекрасили, а так как колпаки там были хитрые и найти такие невозможно, сделали новые из очень б/у:





Эмблему использовали с AliExpress, их там море для любой марки, и размер как раз подходит:

Для летнего комплекта взяли плоские хромированные колпачки и вписали в них эмблему на 3М скотч:



Способ 3.
Его я пока не использовал, планирую использовать при тюнинге Harrier 2G.
Взять чёрные плоские колпачки, и внутрь наклеить фольгированный логотип, надпись, да хоть своё фото в профиль))):

Потом колпачок выставить строго горизонтально и осторожно залить прозрачной эпоксидной смолой, используя для придания объёма эффект поверхностного натяжения. Кстати, именно так делают шильдики:


У кого-то могут быть ещё идеи, делитесь!
Из мелочей и состоит жизнь!
Всем здоровья!
Продолжение следует…
Comments 5
Мелочь…а приятно))
Можно узнать диаметр колпачков которые заказывали?
Спасибо 👍
Одобряю комментарий, но не понял — это хорошо или плохо))? Фото висит с самого начала моей жизни на DRIVE2. Не обращали внимания?)))
Своё фото в профиль — зачёт.