Применимо к двигателям 1.4, 1,6, 1.8, 2,0 с одним общим модулем зажигания vag 032 905 106B, разъем vag 1J0 973 724, провод с 2мя пинами 000 979 225 E −> Пин N 906 845 05.

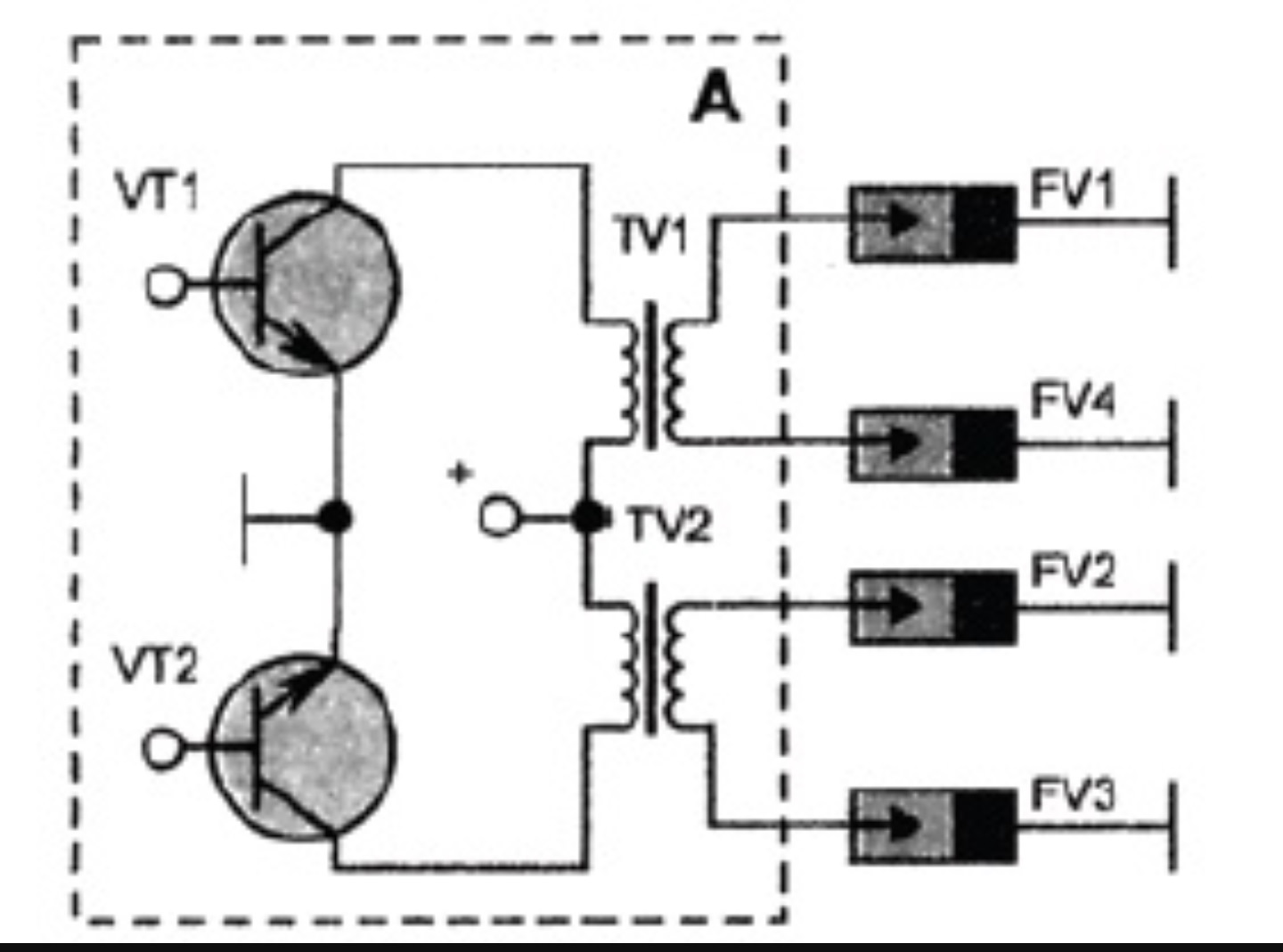
Принципиальная схема катушки зажигания с модулем:

Наши модули чуть сложнее, там добавлены резисторы. Но суть не меняется.
Берем в руки мультиметр, ставим в режим измерения сопротивления и меряем как на фото. Измерения могут быть другими вплоть до 30% в зависимости от катушки и температуры деталей. Самое главное чтобы не было короткого замыкания в модуле и обрывов, а так же обрывов в катушке (бесконечно большое сопротивление или 1 на тестере).









Так же не забываем осмотреть корпус катуши на предмет сколов и трещин. Если они есть, то в сырую погоду может пробивать на корпус, в следствие чего нестабильная искра и дерганая работа двигателя. Лучше такую катушку заменить.
Контакты между катушкой и модулем заполнены силиконом, для защиты от пробоя. Можно заполнить обычным силиконовым герметиком.
Если есть что дополнить, пишите)
Comments 18
Может кому полезна будет информация. У меня на 3-х контактах коммутатора, которые втыкаются в катушку, ничего не показывает. Там, где 4 контакта, 1-2 — тоже ничего. Взял новую для сравнения — тоже в по нулям в обоих случаях.
Машина Джетта 6, коммутатор с виду такой же.
Полярность щупов менял?
Да. Мерял раз 5 и старую и новую. И полярность тоже менял, все по нулям
Здравствуйте.
Подскажите пожалуйста, может знаете, что означает ошибка 17751 вывод зажигания 2: короткое замыкание массу?
Что это за вывод?
А точно такая ошибка? Ошибка в блоке ЭБУ? Машина не заводится?
Есть провалы. Иногда пропадает тяга, на ходу дергает машину
Ну он же пишет не вывод зажигания, а катушка зажигания. Проверь проводку до катушки зажигания и разъём на предмет окислов. А провалы у тебя могут быть из-за подсосов воздуха, у меня есть в бж как проверить подсосы.
Это так звучит описание по номеру ошибки в интернете. Я понял что речь идет о катушке зажигания, просто нет информации, что такое вывод 2.
На счет подсосов, сделал дымогеннратор, буду тоже проверять.
День добрый!
У меня на контактах коммутатора, которые втыкаются в катушку — вместо 56-58 кОм, как у автора, 7,5 кОм.
На 1-2 контакте тоже 7,5 кОм.
Катушка — все оке.
Все, вышел из строя коммутатор?
Проблемы с искрой есть? Пропуски зажигания?
Это я, с другого акк.
Да, почему и стал разбираться.
Вся ситуация. Сел АКБ, видимо срок пришел.
Приехал друг подкурить, завожу — завелась, но работает на 2х цилиндрах. Как мотоцикл Днепр…
Вот именно не троит. На холостых равномерно работает. Но на 2х горшках. И бензом воняет вокруг авто.
До этого замечалась иногда такая проблема — едешь, скидываешь газ к перекрестку, а потом трогаться, машина не едет, как будто сзади за хвост тащат, не понятно. Даёшь газу больше, обороты на 2-3, секунд через 3-5 начинает норм идти. И на ходу, редко, но тоже бывали дёргания.
Сразу на катушку подумал, т.к. не может так отрубить свечи или провода разом(год назад менял их).
Катушку почистил, прозвонил, как в мануале у вас, все оке. Она без трещин, пробоев не видно. А вот коммутатор другое показывает.
Ну тогда все возможно, я бы ещё посоветовал на подсосы воздуза все внимательно посмотреть. Через ваг ком можно посмотреть пропуски воспламенения по номерам цилиндров.
У меня есть кабель K-line (синий с али) и программа Вася диагност. Считывал ошибки, там про пропуски не показала… Или я может не там смотрю.
Подсосы воздуха — да, на это тоже грешил. Сначала свечи и провода поменял. Проблема осталась. Поменял резинки на впускном коллекторе (к концу лета прошлого года). Но все равно на проблема осталась. Так и ездил, периодически матерясь)))
www.drive2.ru/l/459600534408550576/
В свое время тоже мучился, в итоге решил проблему поменяв дмрв и устранив все подсосы. А по пропускам надо смотреть в измерениях, не помню в какой группе, где то в начале. Кстати вспомнил у меня на 2х цилиндрах даже не заводилась.
Ага, прочитал пост. Супер. Практически все тоже самое менял, коллектор еле затолкал с новыми кольцами)))
Понял, что надо РДТ проверить.
И "клапан изменения конфигурации" — теперь я понял что это, а так думал, что за шайба. Причем она у меня там брынчит можно сказать, скорее всего тоже не герметично… Когда разбирал, так и не понял как оно снимается, ломать не стал)))
В общем надо еще раз будет на подсосы проверить.
EvgenyM22
Это я, с другого акк.
Да, почему и стал разбираться.
Вся ситуация. Сел АКБ, видимо срок пришел.
Приехал друг подкурить, завожу — завелась, но работает на 2х цилиндрах. Как мотоцикл Днепр…
Вот именно не троит. На холостых равномерно работает. Но на 2х горшках. И бензом воняет вокруг авто.
До этого замечалась иногда такая проблема — едешь, скидываешь газ к перекрестку, а потом трогаться, машина не едет, как будто сзади за хвост тащат, не понятно. Даёшь газу больше, обороты на 2-3, секунд через 3-5 начинает норм идти. И на ходу, редко, но тоже бывали дёргания.
Сразу на катушку подумал, т.к. не может так отрубить свечи или провода разом(год назад менял их).
Катушку почистил, прозвонил, как в мануале у вас, все оке. Она без трещин, пробоев не видно. А вот коммутатор другое показывает.
Как решился вопрос?
Катушка это понятно, но я вот решил проверить свой модуль. Выставляю мультиметр на "сопротивление 20к"
Замеряю:
Там где 3 контакта:
1-2 = 1
1-3 = 1
2-3 = 1
Там где 4 контакта:
1-2 = 1
1-3 = 0.8
1-4 = 0.4
2 со всеми = 1
3 — 4 = 0.4
Модуль мертв? Или может попробовать его поставить? Просто не хочется разбирать новую катушку попросту.
День добрый Владимир! Тоже вот на днях загонялись с другом по катушке. Вот хотел кое-что спросить и посоветоваться. Если есть возможность киньте номер вличку для созвона. За ранее Спасибо!